Basic Encryptions in RE

Basic Encryptions in RE

IDA分析pseudocode时,往往会发现存在加密算法,本篇将介绍几种常见的几种,基础的加密算法要求了解具体原理,因为可以魔改


base64

将字符从8bit表示转换为6bit表示,映射到给定的字符表(可换),padding为 “=”

特征:编码后长度是4的倍数,以及末尾的"="

b64

前面提到了字符表可换,实际上大部分用到base64的题目都需要换表,以下是b64换表dec

1
2
3
4
5
6
7
8
9
10
11
import base64
import string

#cipher
str1 = ""

#string1为替换表,string2为标准表
string1 = ""
string2 = "ABCDEFGHIJKLMNOPQRSTUVWXYZabcdefghijklmnopqrstuvwxyz0123456789+/"

print (base64.b64decode(str1.translate(str.maketrans(string1,string2))))

同理,还有base16,base32,事实上base后面的数字就代表了bit表示的数据量,如5bit为25=322^{5}=32 ,6bit为26=642^{6}=64

base家族

EasyUPX


MD5

MD5消息摘要算法(MD5 Message-Digest Algorithm),一种被广泛使用的密码散列函数,可以产生出一个128位16字节的散列值(hash value),用于确保信息传输完整一致。

16bit/32bit Encryption

1
2
3
4
5
6
7
8
9
10
11
12
import hashlib

def md5_encrypt(text: str, length: int = 32) -> str:
md5_value = hashlib.md5(text.encode()).hexdigest() # 32位小写
if length == 16: # 取中间16位,也可能是lowercase/uppercase,自行改索引即可
return md5_value[8:24]
return md5_value

#cipher
s = ""
print("MD5(32位):", md5_encrypt(s, 32))
print("MD5(16位):", md5_encrypt(s, 16))

MD5 是不可逆加密(哈希)算法,不存在通用的数学解密方式。

Z333333


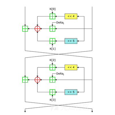
TEA

Tiny Encryption Algorithm, 微型加密算法

Basic-TEA

标准TEA,

1
2
3
4
5
6
7
8
9
10
11
12
13
14
15
16
17
18
19
20
21
22
23
void encrypt(uint32_t* v, uint32_t* k) {
uint32_t v0=v[0], v1=v[1], sum=0;
uint32_t delta=0x9e3779b9;
uint32_t k0=k[0], k1=k[1], k2=k[2], k3=k[3];
for (uint32_t i = 0; i < 32; i++) {
sum += delta;
v0 += ((v1<<4) + k0) ^ (v1 + sum) ^ ((v1>>5) + k1);
v1 += ((v0<<4) + k2) ^ (v0 + sum) ^ ((v0>>5) + k3);
}
v[0]=v0; v[1]=v1;
}

void decrypt(uint32_t* v, uint32_t* k) {
uint32_t v0=v[0], v1=v[1], sum=0xC6EF3720;
uint32_t delta=0x9e3779b9;
    uint32_t k0=k[0], k1=k[1], k2=k[2], k3=k[3];
for (uint32_t i = 0; i < 32; i++) {
v1 -= ((v0<<4) + k2) ^ (v0 + sum) ^ ((v0>>5) + k3);
v0 -= ((v1<<4) + k0) ^ (v1 + sum) ^ ((v1>>5) + k1);
sum -= delta;
}
v[0]=v0; v[1]=v1;
}

特征:魔数(image number),即delta,一般为0x9E3779B9 (-), 减法时为 0x61C88647(+)

0x9E3779B9 = - 0x61C88647, 黄金分割比

tea

simple tea


XTEA

xtea is similar to tea

密钥变为根据sum值的轮换使用,&3 保证了k的索引在0~3

同时v0,v1的轮换,异或,加法也有调整

1
2
3
4
5
6
7
8
9
10
11
12
13
14
15
16
17
18
19
void encrypt(uint32_t* v, uint32_t* k) {
uint32_t v0=v[0], v1=v[1], sum=0, delta=0x9E3779B9;
for (uint32_t i = 0; i < 32; i++) {
v0 += (((v1<<4) ^ (v1>>5)) + v1) ^ (sum + k[sum & 3]);
sum += delta;
v1 += (((v0<<4) ^ (v0>>5)) + v0) ^ (sum + k[(sum>>11) & 3]);
}
v[0]=v0; v[1]=v1;
}

void decrypt(uint32_t* v, uint32_t* k) {
uint32_t v0=v[0], v1=v[1], delta=0x9E3779B9, sum=0xC6EF3720;
for (uint32_t i=0; i<32; i++) {
v1 -= (((v0<<4) ^ (v0>>5)) + v0) ^ (sum + k[(sum>>11) & 3]);
sum -= delta;
v0 -= (((v1<<4) ^ (v1>>5)) + v1) ^ (sum + k[sum & 3]);
}
v[0]=v0; v[1]=v1;
}

Easyxtea


XXTEA

xxtea is complicated

1
2
3
4
5
6
7
8
9
10
11
12
13
14
15
16
17
18
19
20
21
void encrypt(uint32_t* v, uint32_t* k) {
uint32_t v0=v[0], v1=v[1], sum=0, delta=0x9E3779B9;
for (uint32_t i = 0; i < 32; i++) {
sum += delta;
uint32_t e = (sum >> 2) & 3;
v0 += (((v1 << 4) ^ (v1 >> 5)) + (v1 ^ sum)) ^ (k[(0 & 3) ^ e] ^ v1);
v1 += (((v0 << 4) ^ (v0 >> 5)) + (v0 ^ sum)) ^ (k[(1 & 3) ^ e] ^ v0);
}
v[0] = v0; v[1] = v1;
}

void decrypt(uint32_t* v, uint32_t* k) {
uint32_t v0=v[0], v1=v[1], delta=0x9E3779B9, sum=0xC6EF3720;
for (uint32_t i = 0; i < 32; i++) {
uint32_t e = (sum >> 2) & 3;
v1 -= (((v0 << 4) ^ (v0 >> 5)) + (v0 ^ sum)) ^ (k[(1 & 3) ^ e] ^ v0);
v0 -= (((v1 << 4) ^ (v1 >> 5)) + (v1 ^ sum)) ^ (k[(0 & 3) ^ e] ^ v1);
sum -= delta;
}
v[0] = v0; v[1] = v1;
}

xxtea

Hardxxtea


RC4

EasyUPX+


AES

AES